丁香花在线高清视频,《请好好疼爱里面》免费观看动漫 ,办公室秘书跨坐蹭揉h在线观看,爱爱色图,人人玩人人爽,3p交换两男一女,漂亮护士特殊bd服务,欧美性f

英文網站 收藏北崎| 在線留言| 網站地圖

你好!歡迎登錄中山市北崎電氣有限公司官網

北崎電氣

10多年生產廠家專注工業數顯表

全國咨詢熱線:0760-22112006
聯系北崎 contact us
咨詢熱線:0760-22112006

傳真:0760-22104808

QQ:1027714080

郵箱:1027714080@qq.com

地址:中山市小欖鎮榮華南路8號

EW輪式編碼器

1、輪子型具有探測構造,適用于移動物體的距離和速度的測定
2、探測距離的輸出波形是國際圖形(米制,英制)單位的整數倍比例
3、電源:5VDC 、12~24VDC ±5%
4、廣泛應用于包裝機械、修理機械、生產機械、紡織機械等一般產業專用機械
訂購熱線:0760-22112006
立即咨詢

輪式編碼器產品特點

1、輪子型具有探測構造,適用于移動物體的距離和速度的測定

2、探測距離的輸出波形是國際圖形(米制,英制)單位的整數倍比例

3、電源:5VDC 、12~24VDC  ±5%

4、廣泛應用于包裝機械、修理機械、生產機械、紡織機械等一般產業專用機械


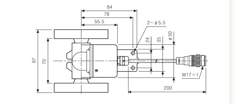
輪式編碼器尺寸如下

QQ截圖20170215170341



QQ截圖20170215170319




輪式編碼器







采購:EW輪式編碼器

  • *聯系人:
  • *手機:
  • 公司名稱:
  • 郵箱:
  • *采購意向:
  • *驗證碼:驗證碼

跟此產品相關的產品 / Related Products

電話:0760-22112006     傳真:0760-22104808     郵箱:1027714080@qq.com
投訴電話:13928160009
地址:中山市小欖鎮榮華南路8號

二維碼 北崎公眾號

北崎二維碼北崎二維碼

 中山市北崎電氣有限公司  版權所有  粵ICP備10074755號
主站蜘蛛池模板: 桓仁| 逊克县| 岑溪市| 贡觉县| 上林县| 三河市| 池州市| 东台市| 内黄县| 双流县| 社会| 巧家县| 镇原县| 富裕县| 监利县| 且末县| 承德市| 临漳县| 安吉县| 海阳市| 长泰县| 凤庆县| 赤水市| 贵阳市| 平武县| 正镶白旗| 浮山县| 收藏| 乌鲁木齐县| 桦甸市| 金乡县| 晴隆县| 汕尾市| 大余县| 永靖县| 仪征市| 广元市| 宜宾县| 勃利县| 章丘市| 石门县|