數顯電流表配分流器怎么接線,接線過程中有哪些注意事項,我們以北崎DU4系列數顯電流表為例來說明。
DU4系列數顯電流表圖片
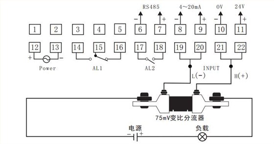
當DU4系列數顯電流表的量程是“直流5A以上時”,比如說量程是“直流100A”,這時DU4系列數顯電流表不能直接測量直流100A的電流,需要配75mv變比的分流器使用,將高電流信號降低后輸入儀表測量,儀表測量后再將值還原為實際值顯示給用戶。具體的接線如下圖所示:
分流器的圖片(上述圖片只是樣式之一,僅供參考)
接線是要注意四個接線柱,分流器通常有4個接線柱,二大、二小。大的接待測電路,小的是經過變比后的,接入到儀表測量。
DU4系列數顯電流表鏈接:http://www.bdlsz.cn/Products/du4xldlb.html
在這要提醒用戶,請嚴格按照您當初跟銷售人員報的分流器規格選擇分流器,如果要更換分流器,需要在DU4數顯電流表的菜單里調“FH值”,使新的“FH值”與新的分流器保持一致。比如說:當初要購買的是“200A:75mv”的數顯電流表,為了能使用戶拿回去就能使用,出廠時我們會將“FH值”設置為200.0。拿到儀表后,如果您手上的分流器變成了“300A:75mv”,這時應該進入到儀表菜單將“FH值”設置為300.0。數顯電流表和分流器的參數一致,測量的結果才準確。
北崎專注數顯工業儀表20年,為用戶提供專業的工業用儀表,為用戶解決儀表使用的實際問題。北崎新款高速采樣的數顯電流表、數字電壓表、數顯功率表,測量快,反應快,主要用于自動化設備配套。歡迎來電咨詢,來廠參觀。地址: 廣東省中山市小欖鎮榮華南路8號(泗涌工業村F幢),電話:0760-22112006

DU4系列-數顯電流表【快速采樣】【上下限報警/RS485通訊/4~20mA】
DU4系列-數顯電壓表【快速采樣,上下限報警/RS485通訊/4~20ma】
DU5S系列-變頻器/傳感器顯示表
DU4S系列-變頻器/傳感器顯示表